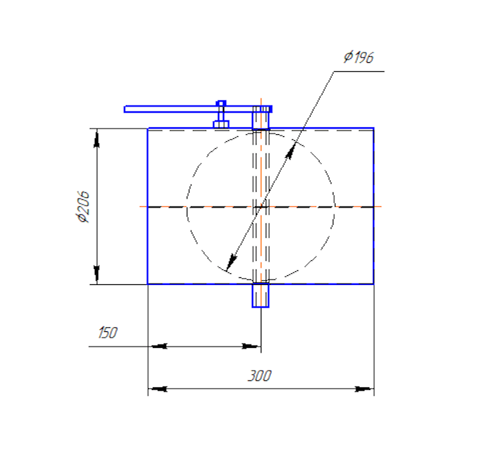
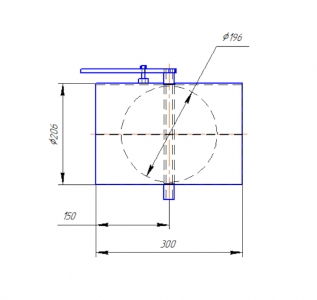
Клапаны ДКП предназначены для регулировки и перекрывания воздушного потока в системе круглых воздуховодов. Корпус и заслонка клапанов изготавливаются из полипропилена. Клапаны ДКП изготовлены под ручной привод. Максимальная рабочая температура составляет 60°С.
Главная _
Дроссель-клапан D 200 мм с ручным управлением полипропилен
Дроссель-клапан D 200 мм с ручным управлением полипропилен
В наличии
6 772 руб.
Доставка в Серпухов
До ПВЗ: от 180 руб., 1 - 2 дня
Доставка до двери: от 330 руб., 1 - 2 дня
1 пункт выдачи в Серпухове Подробнее
Бренд: Визионер
| Диаметр: | 200 |
| Производитель: | Визионер |
| Тип: | Круглое сечение (диаметр 200 мм) |
| Страна производства: | Россия |
| Размеры: | 310x290x210 |
| Вес: | 1.5 |
Авторизуйтесь, чтобы оставить отзыв: Войти




